-
Xpeng Motors (Norway) AS:
Customer Experience Manager
-
Helios Auto AS:
Support-medarbeider
-
Sulland Lier:
Mekaniker
-
Nokian Dekk AS:
Regionsansvarlig/selger – Innlandet
-
Nesbyen Auto AS:
Daglig leder - Nesbyen Auto
-
Team Verksted AS:
Mekaniker Otta
-
AutoriaGruppen:
Salgssjef bruktbil
-
Frydenbø Bil Ålesund AS:
Bilmekaniker
-
Alfie Bilskade AS:
Biloppretter
-
BilXtra Skøyen AS avd Asker:
Bilmekaniker
-
S. Rødsten Bilforretning AS:
Bilmekaniker
-
Team Verksted AS:
Mekaniker Orkanger
-
Bilia Insignia:
Salgsdirektør, Bilia Insignia
-
Bertel O. Steen Lastebil og Buss, Lørenskog:
Mekaniker
-
Team Verksted AS:
Kundemottaker
-
Birger N. Haug AS:
Teknisk Leder
-
Tide Verksted AS:
Mekaniker
-
Tide Verksted AS:
Mekaniker
-
Tide Verksted AS, Avdeling Voss:
Mekaniker tyngre- og lette kjøretøy
-
Auto-Benz AS:
Bilmekaniker
-
Rettedal Bilkontroll AS:
EU-kontroll, produksjon og lager, kombinert stilling

Snarvei til elbilen
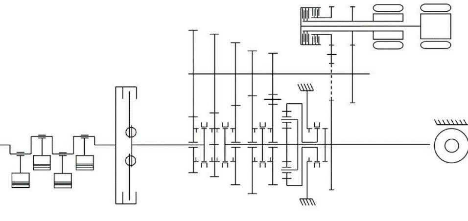
Geir Brudeli, CTO i Brudeli Mobility AS, har lenge snakket om, og jobbet med, systemløsninger for elektrifiserte lastebil-drivlinjer. I Hannover i år var prosjektet kommet så langt at det kunne presenteres for en rekke OEMs.
I fjor på denne tiden hadde Brudeli Green Mobility – som det da het – inngått partnerskap med teknologi-selskapet Semcon og hadde begynt å bygge testsystemer for elektriske drivlinjer, støttet av blant annet Regionale Forskningsråd Viken.
I dag består teamet av 14 personer som har bakgrunn fra selskaper som Kongsberg Automotive, Schaeffler og LUK, og de har et set up som allerede har gjort det mulig å fullføre en fungerende testrigg.
Egen patent
Like før IAA i år ble det gjort en kapitalforhøyelse i selskapet på 10,6 millioner kroner. Blant investorene finner vi DSD Investering, Stavanger-basert som spesialiserer seg på industrielle løsninger, og den svenske LEAX-Gruppen.
LEAX er en stor produsent av kjøretøykomponenter, de er en del av Swedish Powertrain (vi finner også gamle Fundo et sted der inne), og Geir Brudeli beskriver fabrikkene deres som hjørnestener i europeisk tannhjulsproduksjon.
Og dermed har vi havnet rett på sporet av Brudelis patenterte Powerhybrid – navnet han har satt på den nye elektrifiserte drivlinjen.
Elektrisk drivaksel

Bakgrunnen er at lastebiltransporten i Europa representerer åtte prosent av områdets totale energiforbruk.
Ingen er i tvil om at lastebilene på sikt vil bli helelektriske, enten med batterier eller brenselceller. De lange og variable rutene er imidlertid blant problemene, også på lang sikt kommer det til å bli utfordrende å gjøre disse helelektriske.
Men – som ideene til Brudeli viser – det finnes snarveier.
Løsningen deres er en hybrid-modell og den kan benyttes uten store inngrep i den chassis/drivlinje-konstruksjonen bilfabrikken allerede opererer med.
– Vi er blitt veldig gode på simulering av hybride transmisjoner, det kan bli en egen forretningsvirksomhet, forteller Brudeli.
– Men de konkrete produktene vi arbeider med nå er blant annet en elektrisk drivaksel – men den ligger litt lenger frem i tid. Mye nærmere har vi en dedikert hybrid transmisjon under utvikling, og før vi kommer dit skal vi være klar med vår Powerhybrid neste år. Den blir i realiteten en del av den kommende DHT.

Det det hele koker ned til er at på en konvensjonell drivlinje med forbrenningsmotor og automatisert manuell girkasse fjerner man retarderen og erstatter den med en Powerhybrid enhet. Det er ikke veldig vanskelig å finne plass til en 400 kWh batteripakke som kan drive den 300 kW store enheten i transmisjonen.
Men det er selvfølgelig skjult en rekke finesser i denne oppskriften.
Unngår krafttap
Powerhybrid-patentet omfatter to elmotorer og to clutcher.
Det betyr at man unngår krafttapet – det kan være så mye som 25 prosent av akselerasjonskraften – når man skifter gir. Og retarderen erstattes av el-installasjonens evne til regenerativ bremsing der inntil 20 prosent av bremse-energien kan hentes tilbake.
Nå jobbes det også med at inn- og utkobling av dieselmotoren kan skje automatisk ved hjelp av et management-system slik at bilen bruker diesel- og batterikapasitet så kost-optimalt som mulig. Dette er et resultat av simulerings-arbeidet vårt.
På sikt vil også lastebilprodusenten kunne downsize forbrenningsavdelingen når han kan legge til elmotoren, men da er vi kanskje så langt at den Dedikerte Hybrid Transmisjonen er klar.
Argumentene for å ta i bruk Powerhybriden står selvfølgelig i kø.
– Vi kan vise til klare TCO-fordeler, sier Brudeli.

Kritisk faktor
En simulering med amerikanske Klasse 8 biler viser at med en ICE (forbrenningsmotor) og d-drive er kostnaden 0,76 USD/mile. Med 1.000 kWh batteri og e-drive er den på 0,59, med batterinedskriving og tap av nyttelast på 0,28 USD/mile.
– Med 400 kWh hybrid og e-drive er vi nede på 0,42 USD/mile, der batterivekt og -nedskriving koster 0,11 USD/mile, totalt. Som vi ser er størrelsen på batteriet en kritisk faktor i regnestykker, sier han.
Andre argumenter er selvfølgelig kjøring i utslippsfri sone og at man lett når CO2 kravene (med 50 prosent batteri i forhold til det en ren batterielektrisk bil ville måtte ha, kan man oppnå 80 prosent drivstoff- innsparing ved aktiv bruk av plugg-lading) og man har fleksibilitet både med hensyn til drivmidler og med hensyn til krav og regelverk som stadig dukker opp.
Dessuten vet enhver produksjonsingeniør å sette pris på en så enkel komponent-installasjon og system-integrasjon.
Brudeli kan selvfølgelig ikke si noe om detaljene i prosjektet eller i forhandlingene, men det sier seg selv at med store aktører som LEAX-Gruppen i ryggen (2 milliarder svenske kroner i omsetning med global produksjon og velkjent i industrien for sine transmisjonskomponenter) blir det enda enklere for den norske gruppen å nå frem til de betydeligste i bransjen.
– Og neste år har vi den riktige demonstrasjonsbilen på veien. Et hårete mål, men vi skal holde trykket oppe, lover han.